1. Homepage
  2. Forum
    1. Unresolved Threads
  3. Gallery
    1. Albums
  4. Weiteres...
    1. Knowledgebase
    2. Retrostar
    3. Discord
    4. Calendar
      1. Kalender anzeigen
  • Login
  • Register
  • Search
This Thread
  • Everywhere
  • This Thread
  • This Forum
  • Articles
  • Forum
  • Pages
  • Marketplace Item
  • Gallery
  • More Options
  1. VzEkC e. V.
  2. Computer corner
  3. Vintage computers
  4. British Computers
  5. Sinclair

Fehlersuche ZX81

  • nrth3rnlb
  • May 19, 2025 at 4:42 PM
  • nrth3rnlb
    kann nichts dafür, bin so
    Posts
    760
    Marketplace Items
    25
    • May 19, 2025 at 4:42 PM
    • #1

    Ich habe mein Problem schon in einem anderen Forum dargestellt und hoffe, dass Crossposts ok sind.

    Zum eigentlichen Problem:

    ich habe mein Oszilloskop an Pin 16 der ULA angeklemmt und erhalte ein Bild, auf dem das Cursor-K nicht zu sehen ist.
    Wenn ich jetzt PIN 26 der CPU kurz auf Masse ziehe, ändert sich dieses Bild nicht.

    Kann ich das Signal an Pin 16 direkt als CVBS verwenden? ich denke, dass ich das in irgendeinem Video mal gesehen habe. Helfen tut es aber auch nichts, damit erhalte ich einen Bildschirm, der nicht weiß ist, eher dunkles Lila, und auch keinen Cursor.

    Das Board ist rot, also Issue 3?

    ehrlich gesagt, weiß ich nicht, wie ich jetzt weitermachen soll.

    Images

    • IMG_3230.jpeg
      • 882.17 kB
      • 2,379 × 2,246
    • IMG_3231.jpeg
      • 2.33 MB
      • 3,024 × 4,032
  • fanhistorie
    Enlightened
    Posts
    8,549
    Marketplace Items
    2
    • May 19, 2025 at 5:26 PM
    • #2

    nrth3rnlb


    poste bitte ein Gesamtbild Bilder , Bestückungs Lötseite

  • Scouter3D
    Vereinsmitglied
    Posts
    1,511
    Marketplace Items
    97
    Favorite Computer
    VTech Laser 2001
    • May 19, 2025 at 5:45 PM
    • #3

    Hi,

    der ZX81 ist recht wählerisch, was Bildschirme betrifft (deine ULA is zwar schon eine neuere Version)

    Am besten wäre ein Test an einem wirklich alten kleinen S/W Fernseher mit händischem tuning....

    Welche Monitore hast du getestet?

    Lg. TOM:0)

  • nrth3rnlb
    kann nichts dafür, bin so
    Posts
    760
    Marketplace Items
    25
    • May 19, 2025 at 6:10 PM
    • #4
    Quote from fanhistorie

    nrth3rnlb


    poste bitte ein Gesamtbild Bilder , Bestückungs Lötseite

    Images

    • image.jpg
      • 3.83 MB
      • 3,024 × 4,032
    • image.jpg
      • 4.22 MB
      • 3,024 × 4,032
  • nrth3rnlb
    kann nichts dafür, bin so
    Posts
    760
    Marketplace Items
    25
    • May 19, 2025 at 6:13 PM
    • #5
    Quote from Scouter3D

    Welche Monitore hast du getestet?

    Ein alten Flachbildschirm von Acer, aber mit nativen Eingängen.

  • nrth3rnlb
    kann nichts dafür, bin so
    Posts
    760
    Marketplace Items
    25
    • May 19, 2025 at 6:17 PM
    • #6

    in einem anderen Thread hier im Forum wurde darauf verwiesen, die Frequenzen an der CPU und der ULA zu testen.

    Das hab ich gemacht. PIN 35, der ULA hat im Schnitt 6 MHz, das schwankt etwas. Der niedrigste Wert war 5,88 und der höchste 6,13.

    Die CPU hat ziemlich genau 3,25 MHz.

  • nrth3rnlb
    kann nichts dafür, bin so
    Posts
    760
    Marketplace Items
    25
    • May 19, 2025 at 6:20 PM
    • #7

    Das RF Signal kann ich noch nicht an den Monitor anschließen, der hat zwar einen passenden Eingang, mir fehlt aber ein Adapter, da der ZX 81 diesen Cinch Anschluss verwendet.

  • fanhistorie
    Enlightened
    Posts
    8,549
    Marketplace Items
    2
    • May 19, 2025 at 6:31 PM
    • #8

    nrth3rnlb


    Und was misst du an Pin 39,

    Würde aber auch erst mal den RF Ausgang probieren

  • nrth3rnlb
    kann nichts dafür, bin so
    Posts
    760
    Marketplace Items
    25
    • May 19, 2025 at 6:42 PM
    • #9

    fanhistorie

    ein paar Sekunden lang ein ziemliches Chaos, bis ich dann ein gleichmäßiges Signal mit 807-810 kHz bekomme.

    Das Chaos am Anfang tritt aber nur dann auf, wenn ich die Stromversorgung eine Weile unterbreche. Wenn ich die Stromzufuhr kurz unterbreche, kommt sofort das saubere Signal.

  • fanhistorie
    Enlightened
    Posts
    8,549
    Marketplace Items
    2
    • May 19, 2025 at 7:14 PM
    • #10

    nrth3rnlb

    Sollte passen,

    ggf mal auf Verdacht den Quarzt , den Blockkondensator mal tauschen, , dann nachmessen, überprüfen ob sich eine Änderung sich ergab,

    oder würde ich es mal, wie vorab geschrieben mit dem RF Ausgang probieren , ob du damit ein stabiles Bild bekommst,


    Hast du den ZX81 erst seit kurzem , oder schon länger im Besitz wegen der Vorgeschichte

  • nrth3rnlb
    kann nichts dafür, bin so
    Posts
    760
    Marketplace Items
    25
    • May 19, 2025 at 7:25 PM
    • #11
    Quote from fanhistorie

    Hast du den ZX81 erst seit kurzem , oder schon länger im Besitz wegen der Vorgeschichte

    den habe ich, seit ich 16 war. Ich habe ihn allerdings gebraucht bekommen

    Quote from fanhistorie

    Quarzt , den Blockkondensator mal tauschen

    Du meinst X1?

    fanhistorie

  • fanhistorie
    Enlightened
    Posts
    8,549
    Marketplace Items
    2
    • May 19, 2025 at 7:37 PM
    • #12

    Ja ist aber auf deinemgezeigtem Bild wohl noch günstiger realisiert worden

    Mit einem dreipoligen vermutlich keramischem Kondendator

  • fanhistorie
    Enlightened
    Posts
    8,549
    Marketplace Items
    2
    • May 19, 2025 at 7:45 PM
    • #13

    Also würde ich erst mal alles so lassen, auch der zusätzliche Widerstand wird irgend eine Funktion haben

    Kannst du auf dem Kondensator eine Bezeichnung ablesen

  • fanhistorie
    Enlightened
    Posts
    8,549
    Marketplace Items
    2
    • May 19, 2025 at 8:02 PM
    • #14

    X1 wird hier auch in den ersten Ausgaben als Keramikfilter mit 3 Anschlüssen bezeichnet

  • 8bitsindgenug
    Intermediate
    Posts
    197
    Marketplace Items
    45
    Favorite Computer
    ZX Spectrum, C128
    • May 19, 2025 at 8:08 PM
    • #15
    Quote from nrth3rnlb


    Kann ich das Signal an Pin 16 direkt als CVBS verwenden? ich denke, dass ich das in irgendeinem Video mal gesehen habe. Helfen tut es aber auch nichts, damit erhalte ich einen Bildschirm, der nicht weiß ist, eher dunkles Lila, und auch keinen Cursor.

    Hallo,

    im einfachsten Fall geht das, aber Du solltest zusätzlich einen kleinen Elko 100µF/16V dazwischen schalten, um das Signal sicher gleichspannungsfrei zu bekommen. Elko + zur ULA, Elko - zum FBAS (CVBS) des Fernsehers.

    Übrigens, so sollte das Signal aussehen:

    https://www.ni.com/cms/images/devzone/tut/a/f19f8d1a1014.gif

    Die Bursts zwischen 5 und 8 ms und ab 13ms gibt es beim ZX81 nicht, das ist für die Farbe, Farbe kann der ZX81 aber nicht. Dein Oszi-Bild sieht ja so ähnlich aus, der Sync-Impuls mit -0,4V ist zu sehen, die Austastlücke ist da, der Schwarzwert fehlt irgendwie (oder ich kann nicht gucken, der Weißwert ist da. Und der Schwarze K-Cursor müßte eigentlich auch gegen kurz vor dem Sync kurz zu sehen sein (als Schwarzwert).

    Vielleicht doch eine defekte ULA? Das ist beim ZX81 fast Standard.


    Gruß Thomas

  • 8bitsindgenug
    Intermediate
    Posts
    197
    Marketplace Items
    45
    Favorite Computer
    ZX Spectrum, C128
    • May 19, 2025 at 8:14 PM
    • #16

    Nachtrag: Ich würde das Video-Signal über einem 75 Ohm-Widerstand gegen Masse messen, so frei schwebend, könnte es vielleicht sein, das die Pegel nicht ganz stimmen.

  • Scouter3D
    Vereinsmitglied
    Posts
    1,511
    Marketplace Items
    97
    Favorite Computer
    VTech Laser 2001
    • May 19, 2025 at 8:57 PM
    • #17

    Hier ist auf jeden Fall der "Standart" Video Mod für den ZX81 beschrieben, ob es ohne Transistor auch funzt?

    Adding Composite video to a Sinclair ZX81

    Lg. TOM:0)

  • nrth3rnlb
    kann nichts dafür, bin so
    Posts
    760
    Marketplace Items
    25
    • May 19, 2025 at 9:14 PM
    • #18
    Quote from fanhistorie

    Kannst du auf dem Kondensator eine Bezeichnung ablesen

    CDA 6.5 MC

    fanhistorie

  • nrth3rnlb
    kann nichts dafür, bin so
    Posts
    760
    Marketplace Items
    25
    • May 19, 2025 at 9:23 PM
    • #19

    Das sind sie oder? https://www.pollin.de/p/murata-keram…-6-5-mhz-250535

    fanhistorie

  • nrth3rnlb
    kann nichts dafür, bin so
    Posts
    760
    Marketplace Items
    25
    • May 19, 2025 at 9:32 PM
    • #20
    Quote from 8bitsindgenug

    Vielleicht doch eine defekte ULA? Das ist beim ZX81 fast Standard

    ich habe hier noch einen Timex1000, der scheint zu funktionieren. Dessen ULA ist aber älter.

    8bitsindgenug

  • fanhistorie
    Enlightened
    Posts
    8,549
    Marketplace Items
    2
    • May 19, 2025 at 9:56 PM
    • #21
    Quote from nrth3rnlb

    Das sind sie oder? https://www.pollin.de/p/murata-keram…-6-5-mhz-250535

    fanhistorie

    der Wert , und die Funktion sind gleich, aber auf dem Bild von Pollin fehlt mir noch die Polarität Angabe, ob

    diese aber wichtig ist, kann ich so auch nicht sagen,

    Ausserdem ist noch zu klären , wer wann warum der zusätzliche Widerstand draufgelötet hat

  • nrth3rnlb
    kann nichts dafür, bin so
    Posts
    760
    Marketplace Items
    25
    • May 19, 2025 at 10:04 PM
    • #22
    Quote from fanhistorie

    Ausserdem ist noch zu klären , wer wann warum der zusätzliche Widerstand draufgelötet hat

    das dürfte schwierig werden 😊

  • fanhistorie
    Enlightened
    Posts
    8,549
    Marketplace Items
    2
    • May 19, 2025 at 10:48 PM
    • #23

    Wegen dem Aufdruck CDA6,5 MC , sollte dann auch auf dem "neuen " Baustein drauf sein

    Hier ein Ausschnitt von Murata

  • nrth3rnlb
    kann nichts dafür, bin so
    Posts
    760
    Marketplace Items
    25
    • May 20, 2025 at 9:15 AM
    • #24
    Quote from fanhistorie

    ggf mal auf Verdacht den Quarzt , den Blockkondensator mal tauschen, , dann nachmessen, überprüfen ob sich eine Änderung sich ergab,

    Die originalen Kosten mit Versand richtig Geld. Das Bauteil dient doch zum Bereitstellen der Taktfrequenz. Ist es wahrscheinlich, dass das die Ursache für mein Problem ist?

  • Online
    mikemcbike
    Schiedsrichter
    Posts
    3,164
    Marketplace Items
    28
    Favorite Computer
    Hauptsache alt.
    • May 20, 2025 at 11:40 AM
    • #25
    Quote from nrth3rnlb

    ich habe mein Oszilloskop an Pin 16 der ULA angeklemmt und erhalte ein Bild, auf dem das Cursor-K nicht zu sehen ist.
    Wenn ich jetzt PIN 26 der CPU kurz auf Masse ziehe, ändert sich dieses Bild nicht

    Vielleicht fängst du mal an, zielgerichtet auf Fehlersuche zu gehen und nicht sinnlos Teile zu tauschen!

    Deine Beschreibung ist lückenhaft, aber ich versuch's mal.

    Hat die CPU Takt? Ist was los auf dem Adress/Datenbus?

    Bekommt die ULA Takt?

    Ich vermute, der Takt ist da, sonst hättest du überhaupt kein Bild.

    Läuft der Z80?


    Mitglied im Verband der nicht anonymen Elektroschrottabhängigen


  • Online
    mikemcbike
    Schiedsrichter
    Posts
    3,164
    Marketplace Items
    28
    Favorite Computer
    Hauptsache alt.
    • May 20, 2025 at 11:47 AM
    • #26
    Quote from fanhistorie

    Und was misst du an Pin 39,

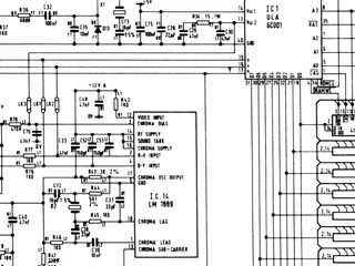
    fanhistorie Du weißt schon, dass du da den Schaltplan eines Sinclair Spectrum rausgekramt hast und der TO von einem ZX-81 redet? Oder hab ich was übersehen?


    Mitglied im Verband der nicht anonymen Elektroschrottabhängigen


  • nrth3rnlb
    kann nichts dafür, bin so
    Posts
    760
    Marketplace Items
    25
    • May 20, 2025 at 12:45 PM
    • #27

    mikemcbike ULA und CPU haben ihren Takt. Das hatte ich gestern schon geprüft, steht etwas weiter oben. Pin 39 messe ich heute Abend nochmal.

  • nrth3rnlb
    kann nichts dafür, bin so
    Posts
    760
    Marketplace Items
    25
    • May 20, 2025 at 12:48 PM
    • #28

    mikemcbike

    jetzt habe ich gesehen, dass ich von PIN 39 schon berichtet hatte:

    Quote from nrth3rnlb

    ein paar Sekunden lang ein ziemliches Chaos, bis ich dann ein gleichmäßiges Signal mit 807-810 kHz bekomme.

    Das Chaos am Anfang tritt aber nur dann auf, wenn ich die Stromversorgung eine Weile unterbreche. Wenn ich die Stromzufuhr kurz unterbreche, kommt sofort das saubere Signal.

  • nrth3rnlb
    kann nichts dafür, bin so
    Posts
    760
    Marketplace Items
    25
    • May 20, 2025 at 12:50 PM
    • #29

    mikemcbike hier noch mal die gemessenen Taktfrequenzen:

    Quote from nrth3rnlb

    PIN 35, der ULA hat im Schnitt 6 MHz, das schwankt etwas. Der niedrigste Wert war 5,88 und der höchste 6,13.

    Die CPU hat ziemlich genau 3,25 MHz.

  • Online
    mikemcbike
    Schiedsrichter
    Posts
    3,164
    Marketplace Items
    28
    Favorite Computer
    Hauptsache alt.
    • May 20, 2025 at 1:50 PM
    • #30

    Hier ist der Plan vom ZX-81


    Mitglied im Verband der nicht anonymen Elektroschrottabhängigen


Tags

  • ZX81
  • ZX81 Bild Signal
  1. Privacy Policy
  2. Legal Notice
  3. Terms Of Use
Powered by WoltLab Suite™ 6.1.14